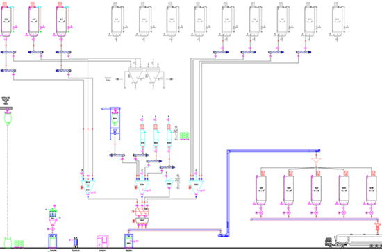
Basic Engineering

Equipment Specifications

Quotations / Suppliers, Costing, Budgeting

Process Design

2D Process Concept

Project Timing

Milestone Plans

Plant Design

3D plant concept

Basic Engineering

At the beginning of a project, the basic engineering phase starts. During this stage, initial ideas are detailed further in order confirm initial ideas as well as estimated investment costs. The documentation for building approval is prepared. Further, the project timing is analysed.

Basic Engineering includes the following activities:

Conceptual design
Process engineering
Equipment and supplier selection (main equipment only)
Process diagrammes and descriptions
Layout of plant equipment
Preparation of technical specifications
Tendering, optaining main quotes
Determination of required utilities (power, compressed air etc.)
Preparation of project time schedule
Determination of investment costs (for budget)